This page requires a JavaScript-enabled browser
Instructions on how to enable your browser are contained in the help file.
Power supplies
1.
The voltage at the input to IC1 will be approximately:
a) 6 V
b) 12 V
c) 13.5 V
d) 16 V.
2.
In the diagram for Question 1, the function of IC1 is:
a) a current amplifier
b) a voltage amplifier
c) a voltage regulator
d) a miniature transformer.
3.
In the diagram for Question 1, the function of C19 is:
a) a timing capacitor
b) a coupling capacitor
c) a reservoir capacitor
d) waveshaping capacitor.
4.
Which one of the following gives the frequency of the ripple produced by a full-wave bridge rectifier when fed from a 50Hz a.c. supply?
a) 25 Hz
b) 50 Hz
c) 100 Hz
d) 200 Hz.
5.
When a power supply is tested, the output voltage falls from 12V on no-load to 10 V when the load current is 1 A. Which one of the following gives the output resistance of the power supply?
a) 0.5 ohm
b) 1 ohm
c) 2 ohm
d) 10 ohm.
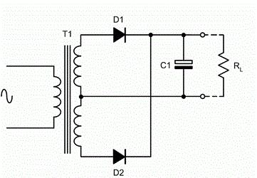
6.
Which one of the following is TRUE of the circuit shown below?
a) The circuit acts as a voltage doubler
b) The circuit acts as a voltage regulato
c) The circuit acts as a bi-phase rectifier
d) The circuit acts as a half-wave rectfifier.
7.
The output voltage of a d.c. power supply falls from 20 V to 19 V when the a.c. mains supply voltage is reduced from 220 V to 200 V, Which one of the following gives the regulation of the supply?
a) 0.5 %
b) 1 %
c) 2.5 %
d) 5 %.
8.
The output voltage of a switched mode power supply can be regulated by controlling the:
a) duty cycle
b) input voltage
c) output current
d) switching frequency.
9.
Most switched mode power supplies operate in the frequency range:
a) below 3 kHz
b) 3 kHz to 10 kHz
c) 10 kHz to 30 kHz
d) above 30 kHz.
10.
The advantages of a switched-mode power supply when compared with a conventional linear power supply include:
a) low efficiency and compact size
b) high efficiency and compact size
c) low noise generation and high efficiency
d) high noise generation and low efficiency.
This is more feedback!
This is the feedback!
Back to Top